Zurück
Vor
- Artikel-Nr.: 342-400-11000-ZZ
- Hinweis: ersetzt: 342-411-000
- Staffelung: 1
- Mindestabnahme: 1
- Maximalabnahme: 1000
Schmierstoff: Öle, Viskosität 20 - 2000 mm²/s oder Fließfett, NLGI-Kl. 000 / 00... mehr
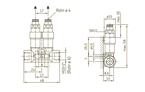
Einleitungsverteiler Serie 342 - Vorschmierverteiler
- Schmierstoff:
Öle, Viskosität 20 - 2000 mm²/s oder
Fließfett, NLGI-Kl. 000 / 00 - Dosierungen nach Ausführung: 0,05 - 0,60 cm³
- Betriebstemperatur: 0 bis +80°C
- Anzugsmomente Montage: 10 Nm
- Betriebsdruck: 12 - 45 bar (Schraubanschluss), 12 - 80 bar (Steckanschluss)
- Betriebsdruck Ausführung Öl, 0,03 - 0,16 cm³: 6 - 45 bar (Schraubanschluss), 6 - 80 bar (Steckanschluss)
- Schmierstellenanschluss:Ø 4mm (lötlose Rohrverschraubung oder Steckverbindung)
Standardausführung
- Werkstoff Verteilerkörper: Zinkdruckguss
- Werkstoff Dosiernippel: Messing (Öl), Messing vernickelt (Fließfett)
- Dichtung: NBR
- Hauptleitungsanschluss: M10x1 IG
Andere Anschlüsse und Dichtungen ebenfalls lieferbar - fragen Sie nicht aufgeführte Varianten an.
Abmessungen mit Schraubanschluss

Abmessungen mit Steckanschluss

NEU
Zuletzt angesehen