Zurück
Vor
Beispielhafte Darstellung, Produkt kann abweichen.
- Artikel-Nr.: 353-000-33300-ZZ
- Staffelung: 1
- Mindestabnahme: 1
- Maximalabnahme: 1000
Schmierstoff: Öle, Viskosität 20 - 2000 mm²/s oder Fließfett, NLGI-Kl. 000 / 00... mehr
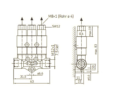
Einleitungsverteiler Serie 353 - Vorschmierverteiler
- Schmierstoff:
Öle, Viskosität 20 - 2000 mm²/s oder
Fließfett, NLGI-Kl. 000 / 00 - Dosierungen nach Ausführung: 0,05 - 0,60 cm³
- Betriebstemperatur: 0 bis +80°C
- Anzugsmomente Montage: 10 Nm
- Schmierstellenanschluss:Ø 4mm (lötlose Rohrverschraubung oder Steckverbindung)
Standardausführung
- Werkstoff Verteilerkörper: Zinkdruckguss
- Werkstoff Dosiernippel: Messing (Öl), Messing vernickelt (Fließfett)
- Dichtung: NBR
- Hauptleitungsanschluss: M12x1 IG
Andere Anschlüsse und Dichtungen ebenfalls lieferbar - fragen Sie nicht aufgeführte Varianten an.
Auf unten stehendem Bild sehen Sie alle möglichen Verschraubungskombinationen für die Einleitungsverteilerserie 353. Die Schmierstellenanschluss sind mit Dosiernippeln aus Messing in Steck- oer Schraubvariante offen oder geschlossen erhältlich. Der Hauptleitungsanschluss der Vorschmierverteiler kommt, soweit nicht anders gewählt, mit M12x1 IG zur Auslieferung. Wahlweise sind hier 5 unterschiedliche Schmierleitungsanschlüsse und eine Verschlussschraube mit Außensechskant verfügbar.

TIPP!
Zuletzt angesehen


